







Наконечники алюминиевые штифтовые НША
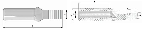
Наконечники штифтовые алюминиевые НША используются для оконцевания проводов и кабелей с алюминиевыми жилами сечением от 16 до 35 мм² при подключении к выводам автоматических выключателей и других устройств имеющих ограниченную ширину контактных клемм. Наконечники закрепляются на жилах опрессовкой. Наконечники НША изготавливаются из алюминиевой трубы марки АД1. Наконечник одевается на жилу кабеля и опрессовывается гидравлическим или ручным прессом. Такой метод жестко скрепляет наконечник и жилу кабеля, обеспечивая надежный контакт.